Das Angebot richtet sich ausschließlich an Gewerbe / Fachhandel und Industrie
Preise und MwSt. gelten für Lieferung nach Deutschland. Andere Lieferländer bitte einloggen / registrieren

MUSTER RedCatt Twiggy35 - 8 Ohm

Nur Händler - bitte .
  • M11627
  • Neodymium Mid-Woofer
  • Keine Lieferung nach / no shipping to: HU, RU

MUSTER zum 14 Tage-Test Rechnungsbetrag (ohne Versandkosten) wird bei Rücksendung... mehr
Produktinformationen "MUSTER RedCatt Twiggy35 - 8 Ohm"

MUSTER zum 14 Tage-Test

Rechnungsbetrag (ohne Versandkosten) wird bei Rücksendung innerhalb 14 Tagen gut geschrieben. 

 

Key features:

  • Remarkably slim 10.15mm mounting depth
  • 3.8mm cone excursion
  • Power handling capacity of 20 watts

Design notes:

Introducing the 35Twiggy mid-woofer, designed for ultra-thin applications. With its remarkably slim 10.15mm mounting depth and maximum 3.8mm cone excursion, this driver delivers exceptional performance. The 3-layer honeycomb cone ensures optimal functionality across all ranges. Boasting a power handling capacity of 20 watts, the 35Twiggy is a standout in our Twiggy product line. Designed with our patented technology, Twiggy drivers offer unparalleled design flexibility for unique product shapes and space-constrained environments. Experience world-class audio innovation with the 35Twiggy.

Specifications:
General specs

Nominal Diameter:    3.5 in.
Rated Impedance:    8 Ohm


Power handling
AES Power:    10 Watts
Program Power:    20 Watts


Voice Coil
Diameter:    1.3 in.
Winding wire:    CCAW
Former:    Aluminum
Winding height:    3 mm


T/S Parameters
Resonant frequency:    145 Hz
Re:    7.3 ohm
Qes:    1.75
Qms:    4.38
Qts:    1.25
Vas:    0.6 liters
Sd:    36.32 cm2
Mms:    3.7 grams
Bl:    3.7
Le:    0.19 mH
Sensitivity:    83 dB


Design details
Surround Material:    Rubber
Cone material:    Paper Honeycomb
Spider:    Nomex
Plate thickness:    2.5 mm
Peak to peak linear cone Displacement    3.8 mm
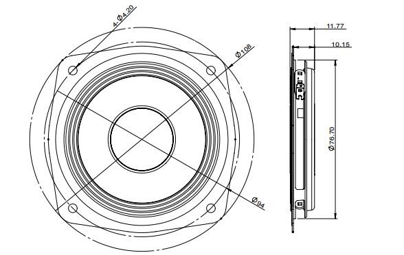
Overall diameter:    90*90 mm
Bolt circle diameter:    94 mm
Baffle cutout dia.:    77 mm
Number of mounting holes:    4
Depth (flange to rear):    10.15 mm
Net weight:    0.1 kg

Weiterführende Links zu "MUSTER RedCatt Twiggy35 - 8 Ohm"
Hersteller "RedCatt"

Hersteller:
DongGuan Redcatt Electrical Technology co., Ltd
5th & 6th floor, Building D, Xinlongxin Industrial,
Zhongxin Golden Road 209,
Dalang, Dongguan, China, Zip code 523785

verantwortliche Person: Bald OHG

MUSTER zum 14 Tage-Test Rechnungsbetrag (ohne Versandkosten) wird bei Rücksendung... mehr
Verfügbare Downloads:
MUSTER zum 14 Tage-Test Rechnungsbetrag (ohne Versandkosten) wird bei Rücksendung... mehr
"MUSTER RedCatt Twiggy35 - 8 Ohm"
Grösse
3.5 Zoll
Impedanz
8 Ohm
Belastbarkeit nom. (W)
10
Fs (Hz)
145
Qts
1.25
Qms
4.38
Xmax (mm)
2.5
Bewertungen lesen, schreiben und diskutieren... mehr
Kundenbewertungen für "MUSTER RedCatt Twiggy35 - 8 Ohm"
Bewertung schreiben
Bewertungen werden nach Überprüfung freigeschaltet.

Die mit einem * markierten Felder sind Pflichtfelder.

M11702 MUSTER RedCatt 101FCD - 8 Ohm MUSTER RedCatt 101FCD - 8 Ohm
Art-Nr: M11702

Lieferzeit 1-4 Tage (Bestand: 1)

M11693 MUSTER RedCatt 075NCD - 4 Ohm MUSTER RedCatt 075NCD - 4 Ohm
Art-Nr: M11693

Lieferzeit 1-4 Tage (Bestand: 1)

M11625 MUSTER REDCATT 31NFR - 8 Ohm MUSTER REDCATT 31NFR - 8 Ohm
Art-Nr: M11625

Lieferzeit 1-4 Tage (Bestand: 2)

11718 REDCATT 200FCD - 8 Ohm REDCATT 200FCD - 8 Ohm
Art-Nr: 11718

voraussichtlich verfügbar ab Mitte April

11655 REDCATT 10NPM - 8 Ohm REDCATT 10NPM - 8 Ohm
Art-Nr: 11655

voraussichtlich verfügbar ab Mitte April

11656 REDCATT 10FIND - 8 Ohm REDCATT 10FIND - 8 Ohm
Art-Nr: 11656

voraussichtlich verfügbar ab Mitte April

11717 REDCATT 200NTI - 8 Ohm REDCATT 200NTI - 8 Ohm
Art-Nr: 11717

Lieferzeit 1-4 Tage (Bestand: 4)

11692 RedCatt 075NCD - 8 Ohm RedCatt 075NCD - 8 Ohm
Art-Nr: 11692

voraussichtlich verfügbar ab Mitte April

11659 REDCATT 101FHW-118 - 4 Ohm REDCATT 101FHW-118 - 4 Ohm
Art-Nr: 11659

voraussichtlich verfügbar ab Mitte April

11658 REDCATT 101NPM - 8 Ohm REDCATT 101NPM - 8 Ohm
Art-Nr: 11658

Lieferzeit 1-4 Tage (Bestand: 2)

11679 REDCATT 18FIND - 8 Ohm REDCATT 18FIND - 8 Ohm
Art-Nr: 11679

Lieferzeit 1-4 Tage (Bestand: 16)

11682 REDCATT 182FIND - 8 Ohm REDCATT 182FIND - 8 Ohm
Art-Nr: 11682

voraussichtlich verfügbar ab Mitte April

11678 REDCATT 18NPW - 8 Ohm REDCATT 18NPW - 8 Ohm
Art-Nr: 11678

Lieferzeit 1-4 Tage (Bestand: 16)

11667 REDCATT 121NPM - 8 Ohm REDCATT 121NPM - 8 Ohm
Art-Nr: 11667

Lieferzeit 1-4 Tage (Bestand: 8)

11665 REDCATT 122NPW - 8 Ohm REDCATT 122NPW - 8 Ohm
Art-Nr: 11665

Lieferzeit 1-4 Tage (Bestand: 8)

Zuletzt angesehen